知否科技
知无知,才有知
主页
请帖模板
知识中心
课后习题答案
文档资料
小说名著
每日一文
习题章节
真题试卷
简历模板
关于我们
联系我们
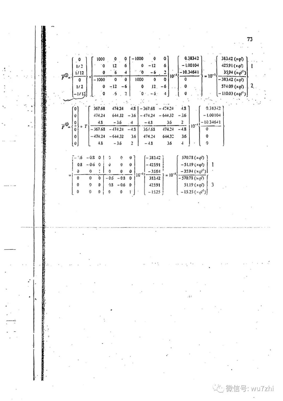
第十二章 矩阵位移法
结构力学(第5版)上下册
李廉锟 著 / 高等教育出版社
刺ۣۖิ猬ۣۖิ的ۣۖิ刺ۣ 上传
查看本书
第十二章 矩阵位移法
查看更多