知否科技
知无知,才有知
主页
请帖模板
知识中心
课后习题答案
文档资料
小说名著
每日一文
习题章节
真题试卷
简历模板
关于我们
联系我们
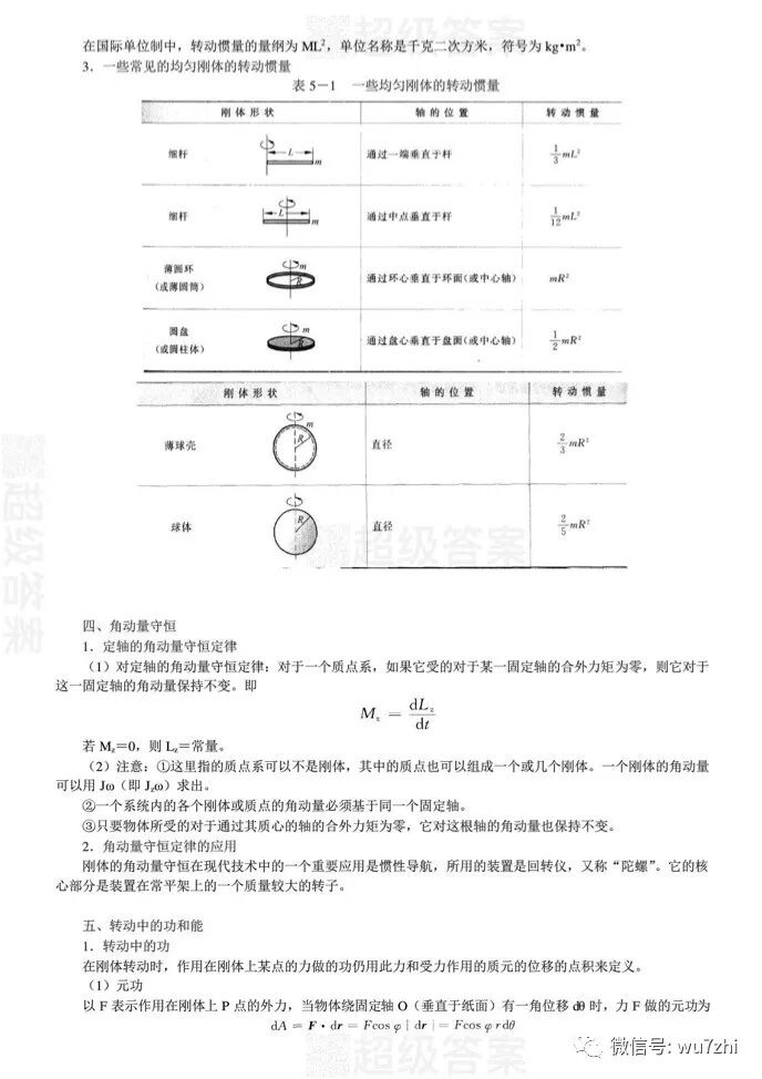
第5章 刚体的转动
大学物理学 力学、电磁学 第三版 B版
张三慧 / 清华大学出版社
♛归寻 上传
查看本书
第5章 刚体的转动
查看更多